|
Lithionics
Battery is a world leader in developing advanced Lithium
ion Battery Management Systems (BMS). At the heart of each
Lithionics Battery lithium-ion battery system is simply
the best, most reliable and most flexible BMS. Its also
the world's first and only 12 Volt and 24 Volt BMS to get
the coveted UL approvals (UL508, 991 and 1998 Test Standards
and Certifications). Lithionics only uses the highest grade
components in their Lithium ion Battery Management Systems
- including military grade contactors. The main Lithionics
BMS "brain" or control module constantly communicates
with mini microprocessors that are installed on each individual
cell inside the battery to continually report key lithium
battery data to the main BMS.

The mini BMS processors constantly communicate with
the main BMS using robust, proprietary opto-electric communications.
We brand our BMS as "NeverDie".
Whether you are looking at a stand-alone single battery
or a whole bank of batteries, we have the best solution
for any Lithionics Battery application with advanced NeverDie
technology built right in. The Lithium ion Battery Management
System is an integral part of a lithium-ion battery system
in the sense that it helps to control charging and discharging
and can provide what we call a "Low Voltage Cutoff"
or LVC that puts the battery into "Sleep Mode"
and switches it off when discharged to the safe point (typically
90% discharged but you can also request the cutoff point
to be programmed at 70% or 80% depleted) to help prevent
accidental overdischarging of the battery(s). At the 90%
discharged rate, our 12 Volt batteries have reached 3.0
Volts per cell x 4 cells in a battery means 12 Volts is
the cutoff point. When the battery goes into "Sleep
Mode", you can access the remaining 10% of energy by
pressing the reset button for 1 second but at this point
you should really begin recharging the Lithionics lithium-ion
battery. In addition, the Advanced Lithionics NeverDie BMS
also has what we call a "High Voltage Cutoff"
or HVC that helps protect the battery from being overcharged
at too high a Voltage. For the 12 Volt Lithionics batteries,
the HVC is set at 15.6 Volts so if your charging equipment
sends 15.6 Volts or higher, the BMS will switch off the
battery to protect it. With both the LVC and HVC cutoffs,
if the problem that tripped the BMS disappears, the BMS
is designed to "re-latch"and turn power back on
with the battery.
The
Lithionics Battery NeverDie BMS can be built-in with
the battery (most common when you only need 1 battery) or
can be provided as an external NeverDie BMS box. The
external NeverDie BMS box has several "Field
Service Advantages" and is typically used in installations
where 2 or more batteries are used as 1 BMS box can serve
multiple batteries. In addition, especially for marine applications,
the external NeverDie BMS box provides an added layer
of lightning protection. Please note that Lithionics
is moving away from internal BMS batteries in favour of the
more advantageous external NeverDie Battery Management System
(BMS) box with the high efficiency EURO DIN connection system.
Lithionics
has also introduced a lithium-ion battery internal heating
system that can tie in with the BMS to automatically keep
the batteries above 0 Fahrenheit. More
details on this down the page...
NOTE:
There is lots of information and resource PDF's on this
page so be sure to try and review as much of it as you can.
Just remember - "Questions are Good" so
if you are unsure about exactly what you need for a Battery
Management System, just give us a call at 604-510-0800
or email us at siteinfo@shaw.ca
and we'll be happy to answer your questions and explain
anything that you need to know.
Latest
Lithionics NeverDie Battery Management System Master Catalogue:

NOTE: The ersion 9 Lithionics NeverDie Battery Management
System Boxes (BMS) are available in 12 Volts, 24 Volts,
51 Volts, 102 Volts, 153 Volts and higher Voltages. The
48 Volt version 9 BMS box has been discontinued - for 48
Volt battery systems we will use the 51 Volt NeverDie BMS.
The
Lithionics BMS is compatible with the popular SilverLeaf
RV
Control Systems - more info below...
Available
NeverDie Lithium-ion Battery Management System (BMS)
Products & Models.
List of Version 9 BMS. V7
and V8 BMS page...
|
|
All Prices $USD. Contact Us for
Shipping/ Freight Costs.
|
|
|
Version
9 Advanced External NeverDie
Master Battery Management System (BMS)
Control Box
|
Part
Number:
|
Description:
|
|
Lithionics
BMS Price:* |
|
12
Volt, 24 Volt and 51 Volts Version
9 NeverDie BMS Box - Standard AP017-HC Series
Includes the Lithionics Bluetooth State of Charge
Monitoring System that works with your Smartphone.
This is an extra $174.44 USD value at no extra charge.
Details below...
NOTE:
This BMS Box cannot connect to the ION Gauge
|
Simplified
External NeverDie Box:
12 Volts, 24 Volts and 51 Volts.
300
Amp Continuous Rated. Version 9 AP017 BMS box. Can
handle 350 Amps for up to 15 minutes.
NEW:
Lithionics "Pre-Charge" Feature Now Included.
Pre-charge details below...
Full list of features below...
Note: This uses our small BMS box that measures approx.
11.25" x 22" x 4.06" tall.
One
EURO DIN connector included (12" overall length).
Custom cable lengths available.
Click
on the graphic for the related full PDF:
|
|
From
$1,902.64 USD
for 12 Volts.
From
$2,038.64 USD for 24 Volts and 51 Volts.
Add
$134.64 USD for the 8 Pin AMPSEAL Connector
This
is an economical NeverDie Battery Management System
box suitable for relatively simple applications
where advanced BMS features are not needed.
Lithionics
uses Military Grade Contactors and components to
make the NeverDie BMS the most durable and dependable
on the market.
Multi-battery
setup: see "Combiner Boxes"
below...
|
NeverDie
BMS Features
|
Standard
AP017-HC Series (12V to 51V)
|
OptoLoop
Cell Monitoring
|
YES
|
MiniBMS
Cell Balancing
|
YES
|
NeverDie
Reserve (Reset/Power Switch)
|
YES
|
|
Low-Voltage
Cutoff Protection (Over-Discharge)
|
YES
|
|
High-Voltage
Cutoff Protection (Over-Charge)
|
YES
|
|
Short
Circuit Protection
|
YES
|
|
Current
Direction Based Temperature Intervention Sensor
|
YES
|
|
UL
Approved Fully Redundant Protective Safety Circuits
|
YES
|
|
Military
Grade Latching Contactor with Aux Contact Monitoring
|
YES
|
|
Coulomb
Based State-of-Charge Meter
|
YES
- Sender Built-in
|
|
Programmable
NeverDie Reserve and AGSR
|
NOT
AVAILABLE
|
|
State
of Health Monitoring (Status and Fault Codes)
|
YES
|
|
BMS
Data Telemetry - CANBus
|
YES
|
|
BMS
Data Telemetry - Bluetooth or Serial Port
|
Bluetooth
Only
|
|
BMS
Data Telemetry - Ethernet TCP/IP
|
NOT
AVAILABLE
|
|
Dual
Channel (Independent Charge/ Discharge Channels)
|
NOT
AVAILABLE
|
|
Redundant
Coil-Driven Contactor Internal Pre-Charge Circuit
(Programmable)
|
NOT
AVAILABLE
|
|
Ampseal
I/O Features
|
Standard
(8-Pin)
|
|
Alternator
Field Control Circuit (FCC)
|
YES
|
|
CANBus
(Supports RV-C BMS Data & NCC Charger Series)
|
YES
|
|
Remote
Power Switch
|
YES
|
|
Serial
UART BMS Data Telemetry (Alternate: Serial RS232)
|
NOT
AVAILABLE
|
|
Automatic
Generator Start/Restart (AGSR)
|
NOT
AVAILABLE
|
|
External
Pre-Charge Circuit Control (Alternate: Heater
Power)
|
NOT
AVAILABLE
|
|
BMS
Auxiliary Power Input (AC Sense)
|
NOT
AVAILABLE
|
|
High
Voltage Charger Interlock
|
NOT
AVAILABLE
|
|
Tri-Color
LED Pod (Alternate: LED for Remote Reset Switch)
|
NOT
AVAILABLE
|
|
Alarm
Circuit.Battery Percent (0-5V Signal)
|
NOT
AVAILABLE
|
|
Emergency
Stop Input (E-Stop Circuit)
|
NOT
AVAILABLE
|
|
|
|
|
|
|
12
Volt to 51 Volt Version
9 NeverDie BMS Box - Standard AP097 Single Channel
Series
Includes
the Lithionics Bluetooth State of Charge Monitoring
System that works with your Smartphone. This is
an extra $174.44 USD value at no extra charge. Details
below...
NOTE:
This BMS can be Dual Channel equipped but you will
lose the Bluetooth SOC feature.
|
Standard
AP097 Single Channel External NeverDie Box:
12 Volt, 24 Volt and 51 Volt 325 Amp Continuous
Rated.
400 Amps continuous requires 350MCM or 2 x 4/0 cables
connected to each of the BMS terminals for heat dissipation.
With single 4/0 connection rating is 325 Amps. Version
9 BMS box.
NEW:
Lithionics "Pre-Charge" Feature Now Included.
Pre-charge details below...
All
features shown below...
Notes:
1. This uses our larger AP097 BMS box that measures
13" x 23.74" x 4" tall with EURO Din
cables.
2. Enclosure itself measures 11.25" x 7"
x 4".
3. This
BMS box uses the 14 Pin AMPSEAL Connector

Click on the image for a larger pic or click
here for the PDF.
|


One
EURO DIN connector included (12" overall length).
Custom cable lengths available.
IMPORTANT:
Please discuss with us if you have a high current/
Amp load system. For these projects make sure that
the power cables from the BMS box to fuse/ bus bars
is at least 2 feet long.
Multi-battery
setup: see "Combiner Boxes"
below...
Click
on the graphic for the latest Lithionics Battery
Management System PDF:
Click
on the graphic for the Standard BMS User Guide PDF:

|
12
Volts From
$1,902.64 USD
24 Volts and 51 Volts From $2,038.64 USD
Add
$134.64 USD for the 8 Pin AMPSEAL Connector
This
is a more robust NeverDie Battery Management System
(BMS) that can support some additional basic options
such as FCC, Auto-Generator Start and so on. It
cannot be used for the optional Lithionics State
of Charge (SOC) monitoring system - for that and
other Advanced BMS functions you need the Advanced
Series BMS below.
|
NeverDie
BMS Features
|
Standard
AP097
Series
(12V to 51V)
|
iONbus
(M12 Connector)
Combines
OptoLoop and CANbus RV-C technology into one
circular connector. Replaces previous generation
OptoLoop and TIS Temperature Sensors.
|
|
Bluetooth
Includes
App (iOS, Android). Monitoring, Datalogging,
Firmware Updates, PIN Security
|
YES
|
NeverDie
Reserve (Reset/Power Switch)
|
YES
|
Protection
Features:
Reserve,
Pack Over and Under Voltage, Cell Over and
Under Voltage, Cell Over and Under Temperature,
Contactor Over-Temperature, Contactor State,
Short Circuit, Over Current, Pre-charge
|
YES
|
Optional
Features
Dual
Channel, RS232 (but removes BT), Ethernet
TCP/IP, E-Stop, IONGage
|
YES
|
|
Short
Circuit Protection
|
YES
|
|
|
YES
|
|
Coulomb
Based State-of-Charge Meter
|
YES
- Sender Built-in
|
|
State
of Health Monitoring (Status and Fault Codes)
|
YES
|
|
BMS
Data Telemetry - CANBus
|
YES
|
|
BMS
Data Telemetry - Bluetooth or Serial Port
|
Order
Option
|
|
BMS
Data Telemetry - Ethernet TCP/IP
|
Optional
|
|
Dual
Channel (Independent Charge/ Discharge Channels)
|
YES
for separate Charge and Discharge DC busses.
You will lose the Bluetooth SOC
|
|
Redundant
Coil-Driven Contactor Internal Pre-Charge Circuit
(Programmable)
|
YES
- All Voltages Supported
|
|
Ampseal
I/O Features
|
14-Pin
Ampseal Supported Functions
|
|
Alternator
Field Control Circuit (FCC)
|
YES
|
|
Battery
Low LED
|
YES
|
|
Remote
Lighted Power Switch
|
YES
|
|
Serial
UART BMS Data Telemetry (Alternate: Serial RS232)
|
YES
|
|
Automatic
Generator Start/Restart (AGSR)
|
YES
|
|
External
Pre-Charge Circuit Control (Alternate: Heater
Power)
|
N/A
|
|
BMS
Auxiliary Power Input (AC Sense)
|
YES
|
|
High
Voltage Charger Interlock
|
N/A
|
|
Tri-Color
LED Pod (Alternate: LED for Remote Reset Switch)
|
N/A
|
|
Alarm
Circuit. Battery Percent (0-5V Signal)
|
YES
|
|
Emergency
Stop Input (E-Stop Circuit)
|
Optional
|
|
|
|
|
|
|
12
Volt, 24 Volt and 51 Volt Version
9 NeverDie BMS Box - Advanced AP037 Single Channel
Series
Uses
23 Pin AMPSEAL

Lithionics BMS is compatible
with the popular SilverLeaf RV
Control Systems.
The Silverleaf system is found in many leading brands
of RV's including Newmar RV's. If your Silverleaf
system is older than September, 2019 then you will
likely have to send 2 or 3 components to:
SilverLeaf Electronics Inc.
2490 SW Ferry St.
Albany, OR 97322
(541) 967-8111 or
(888) 741-0259.
There is a nominal fee for SilverLeaf to do these
upgrades - be sure to tell them about all the equipment
connected to it such as inverter-chargers etc. Typically,
the SilverLeaf parts that need the software updates
are: TM102, VMS350 and HMS365.
|
Advanced
Version 9
External NeverDie AP037 Box:
12 Volt and 24 Volts 300 Amp Continuous
Rated. 350 Amps up to 15 minutes. Version 9 BMS box.
NEW:
Lithionics "Pre-Charge" Feature Now Included.
Pre-charge details below...
Note: This uses our larger AP037-HC BMS box that measures
11.5" x 22" x 4.06" tall (22"
measure includes the EURO Din connector cables coming
straight out).
See
details below...

Click
on the image for a larger pic or click
here for the PDF

Click
on the image to see a larger spec sheet showing the
23 pin Ampseal Numbering Legend.
Click
on the graphic for the latest Lithionics Battery Management
System PDF:
|


One
EURO DIN connector included (12" overall length).
Custom cable lengths available.

Sample
Photo of a Lithionics Version 8 Advanced BMS box
with 23 pin Ampseal
IMPORTANT:
Please discuss with us if you have a high current/
Amp load system. For these projects make sure that
the power cables from the BMS box to fuse/ bus bars
is at least 2 feet long.
Multi-battery
setup: see "Combiner Boxes"
below...
|
12
Volt From
$2,173.93 USD
24 Volts and 51 Volts From $2,310.64
Add
$159.00 USD for the 23 Pin AMPSEAL Connector
Want
the Dual Channel Option? Add $269.00 to the
BMS prices above for the Dual Channel BMS Option.
Includes
State of Charge Kit Sending Unit Cost (built-in).
Add
the 3.77" round SOC gauge
from $545.54 USD for fully operational SOC.
IMPORTANT
REFERENCE: Advanced BMS User Guide
Click
on the graphic for the Ampseal 23 PDF with the 5
Volt-UART communication option:
NOTE:
Click
on the graphic for the Ampseal 23 PDF with the DB9/
Serial RS232 to USB communication option:
|
NeverDie
BMS Features
|
Advanced
AP037 Series
(12V to 51V)
|
OptoLoop
Cell Monitoring
|
YES
|
MiniBMS
Cell Balancing
|
YES
|
NeverDie
Reserve (Reset/Power Switch)
|
YES
|
|
Low-Voltage
Cutoff Protection (Over-Discharge)
|
YES
|
|
High-Voltage
Cutoff Protection (Over-Charge)
|
YES
|
|
Short
Circuit Protection
|
YES
|
|
Current
Direction Based Temperature Intervention Sensor
|
YES
|
|
UL
Approved Fully Redundant Protective Safety Circuits
|
YES
|
|
Military
Grade Latching Contactor with Aux Contact Monitoring
|
YES
|
|
Coulomb
Based State-of-Charge Meter
|
YES
- Sender Built-in
|
|
Programmable
NeverDie Reserve and AGSR
|
YES
|
|
State
of Health Monitoring (Status and Fault Codes)
|
YES
|
|
BMS
Data Telemetry - CANBus
|
YES
|
|
BMS
Data Telemetry - Bluetooth or Serial Port
|
Order
Option
|
|
BMS
Data Telemetry - Ethernet TCP/IP
|
Optional
|
|
Dual
Channel (Independent Charge/ Discharge Channels)
|
NOT
AVAILABLE
|
|
Redundant
Coil-Driven Contactor Internal Pre-Charge Circuit
(Programmable)
|
YES
|
|
Internal
Pre-Charge Circuit (Programmable)
|
Optional
for 48V to 96V
|
|
Ampseal
I/O Features
|
Advanced
(23-Pin)
|
|
Alternator
Field Control Circuit (FCC)
|
YES
|
|
CANBus
(Supports RV-C BMS Data & NCC Charger Series)
|
YES
|
|
Remote
Power Switch
|
YES
|
|
Serial
UART BMS Data Telemetry (Alternate: Serial RS232)
|
YES
|
|
Automatic
Generator Start/Restart (AGSR)
|
YES
|
|
External
Pre-Charge Circuit Control (Alternate: Heater
Power)
|
YES
|
|
BMS
Auxiliary Power Input (AC Sense)
|
YES
|
|
High
Voltage Charger Interlock
|
YES
|
|
Tri-Color
LED Pod (Alternate: LED for Remote Reset Switch)
|
YES
|
|
Alarm
Circuit.Battery Percent (0-5V Signal)
|
YES
|
|
Emergency
Stop Input (E-Stop Circuit)
|
YES
|
|
|
|
|
|
|
|
|
External
NeverDie Box:
400 Amp Continuous Rated. Version 9 Advanced BMS.
This
BMS has the upgraded internal contactor that raises
its constant Amp loads from 350 Amps constant to 400
Amps peak.
NEW:
Lithionics "Pre-Charge" Feature Now Included.
Pre-charge details below...
This
High Voltage BMS uses the AP036 box that measures
15.5" x 4.34" x 21" overall with EURO
Din connector cable.
BMS
box alone measures 15.5" x 9.13" x 4.34"
thick.
See
list of features below...
NOTE:
Dual Channel BMS not available for this model.
|


One
EURO DIN connector included (12" overall length).
Custom cable lengths available.

IMPORTANT:
Please discuss with us if you have a high current/
Amp load system. For these projects make sure that
the power cables from the BMS box to fuse/ bus bars
is at least 2 feet long.
Multi-battery
setup: see "Combiner Boxes"
below...
|
From
$2,718.64 USD for 102 Volts and From $2,990.60 USD
for 153 Volts
with 400 Amp
contactor.
Add
$159.00 USD for the 23 Pin AMPSEAL Connector
Includes
State of Charge Kit Sending Unit Cost (built-in).

Click
on the graphic for the full PDF BMS spec sheet and
features:
|
NeverDie
BMS Features
|
High
Voltage Series
(102V to 512V)
|
OptoLoop
Cell Monitoring
|
YES
|
MiniBMS
Cell Balancing
|
YES
|
NeverDie
Reserve (Reset/Power Switch)
|
YES
|
|
Low-Voltage
Cutoff Protection (Over-Discharge)
|
YES
|
|
High-Voltage
Cutoff Protection (Over-Charge)
|
YES
|
|
Short
Circuit Protection
|
YES
|
|
Current
Direction Based Temperature Intervention Sensor
|
YES
|
|
UL
Approved Fully Redundant Protective Safety Circuits
|
YES
|
|
Military
Grade Latching Contactor with Aux Contact Monitoring
|
YES
|
|
Coulomb
Based State-of-Charge Meter
|
YES
- Sender Built-in
|
|
Programmable
NeverDie Reserve and AGSR
|
YES
|
|
State
of Health Monitoring (Status and Fault Codes)
|
YES
|
|
BMS
Data Telemetry - CANBus
|
YES
|
|
BMS
Data Telemetry - Bluetooth or Serial Port
|
Order
Option
|
|
BMS
Data Telemetry - Ethernet TCP/IP
|
Optional
|
|
Dual
Channel (Independent Charge/ Discharge Channels)
|
NOT
AVAILABLE
|
|
Redundant
Coil-Driven Contactor Internal Pre-Charge Circuit
(Programmable)
|
YES
|
|
Ampseal
I/O Features
|
Advanced
(23-Pin)
|
|
Alternator
Field Control Circuit (FCC)
|
YES
|
|
CANBus
(Supports RV-C BMS Data & NCC Charger Series)
|
YES
|
|
Remote
Power Switch
|
YES
|
|
Serial
UART BMS Data Telemetry (Alternate: Serial RS232)
|
YES
|
|
Automatic
Generator Start/Restart (AGSR)
|
YES
|
|
External
Pre-Charge Circuit Control (Alternate: Heater
Power)
|
YES
|
|
BMS
Auxiliary Power Input (AC Sense)
|
YES
|
|
High
Voltage Charger Interlock
|
YES
|
|
Tri-Color
LED Pod (Alternate: LED for Remote Reset Switch)
|
YES
|
|
Alarm
Circuit.Battery Percent (0-5V Signal)
|
YES
|
|
Emergency
Stop Input (E-Stop Circuit)
|
YES
|
|
 |
Lithionics
BMS Pre-Charge Feature:
1.
What is a Pre-Charge Feature?
All modern power inverters and motor controllers
have a large capacitor bank at their DC input
terminals to reduce the ripple current and its
associated EMI interference. Input capacitors
help to provide smooth power conversion from
DC to an AC sine wave and back to DC when charging
the battery. When initially connecting a battery
to a capacitive input, there is an inrush of
current as the input capacitance is charged
up to the battery voltage. With large batteries
(with a low source resistance) and powerful
loads (with large capacitors across the input),
the inrush current can easily peak 1,000 Amps
or more (as much as 2,600 Amps). A pre-charge
circuit limits that inrush current, without
limiting the operating current.
Read
the full PDF...
2.
Why do I need a Pre-Charge Feature?
When connecting a Lead Acid battery to a DC
input of the inverter, there is a nasty spark,
which can tack weld the battery lug to the input
terminal. This spark is caused by the inrush
current to charge the input capacitors. Lithionics
Battery has an intelligent BMS, which includes
a contactor allowing the BMS to turn the battery
power on/off when needed. Without the pre-charge
feature that initial contact spark would happen
inside the contactor and could tack weld it,
preventing its normal operations and damaging
the BMS and battery modules. The pre-charge
feature eliminates this initial inrush of current
and eliminates the nasty spark.
Read
more in the full PDF...
|

Now
included at no extra charge in all Version
9 Lithionics NeverDie BMS boxes. Custom
options available.
Click
on the graphic for the Lithionics Battery
Management System Pre-Charge Feature PDF:
|

Click
on the logo above for the
Lithionics Support QR Code/ Link
|
|
|
Previous
Version 8 Advanced BMS Box Images
- click on the images for a larger image:
|
23
pin AMPseal
Dongle Port
|
Lithionics
NeverDie 400 Amp 24 Volt Advanced Version 8
BMS box. Note: Power button is on the right
side and illuminates when On.
|
|
|
|
|
|
|
|
|
|

What
can I do if I need more than 400 Amps of current
on a constant basis?
Example:
Your RV or yacht has a 5,000 Watt or 6,000 Watt
inverter-charger or twin 3,000 Watt inverter-chargers.
In this case those total Watt readings at 120 Volts
AC work out to about 416 Amps and 500 Amps at 12
Volts DC. We can look at the following option to
provide a higher Amperage NeverDie BMS throughput:
-
We
can offer twin or two external Neverdie BMS boxes
rated at 350 Amps each that would be wired to
the battery system in parallel. As part of this,
we also have to review that the lithium-ion battery
modules can handle the combined output draw of
400+ Amps and limit the upper limit of the current
we draw to match the "C" rate discharge
capabilities of the batteries (as well as the
"C" rate for charging Amps).
-
- IMPORTANT:
Please discuss with us if you have a high current/
Amp load system. For these projects make sure that
the power cables from the BMS box to fuse/ bus bars
is at least 2 feet long.
|
Lithionics
BMS "Combiner" Boxes:
In
some multi-battery systems connected to a single
EURO DIN equipped
BMS box it may be necessary to add an "intermediary
combiner box" that
combines either 2 or 4 EURO DIN battery connections
in an electric box with
a single EURO DIN output cable that connects to
the BMS box. "Combiner boxes" are
available as shown below (some applications may
be able to use the Lithionics "Y-Harness"
or "Series Harness" - see down the page
a bit):
|
Part
Number:
|
Description:
|
|
*Lithionics
BMS Part
Price: |
2
Position
Combiner
Box
|
Combiner
box with 2 EURO DIN input cable sockets (from batteries)
and one EURO DIN output cable socket to EURO DIN
enabled BMS box.
Part
Numbers:
76-DIN2P-02-12V
76-DIN2P-02-24V
76-DIN2P-02-51V
2
Position Combiner Box Measures 11" x 5"
x 5.475" tall.
|
|
|
|
|
|
|
|
3
Position
Combiner
Box
|
Combiner
box with 3 EURO DIN input cable sockets (from batteries)
and one EURO DIN output cable socket to EURO DIN
enabled BMS box.
Part
Numbers:
76-DIN3P-02-12V
76-DIN3P-02-24V
76-DIN3P-02-51V
|
|
$1,358.64
USD
(Price is for all Voltage Systems)
|
|
|
|
|
|
4
Position
Combiner
Box
|
Combiner
box with 4 EURO DIN input cable sockets (from batteries)
and one EURO DIN output cable socket to EURO DIN
enabled BMS box.
Part
Numbers:
76-DIN4P-02-12V
76-DIN4P-02-24V
76-DIN4P-02-51V
4
Position Combiner Box Measures 14" x 5"
x 5.475" tall.
|
|
$1,630.64
USD
(Price is for all Voltage Systems)
"Dummy"
EURO DIN jumper plugs are $189.00 USD. For use if
you have just 3 battery modules to connect.
|
|
|
|
|
|
6
Position
Combiner
Box
|
Combiner
box with 6 EURO DIN input cable sockets (from batteries)
and one EURO DIN output cable socket to EURO DIN
enabled BMS box.
Part
Numbers:
76-DIN6P-02-12V
76-DIN6P-02-24V
76-DIN6P-02-51V
6
Position Combiner Box Measures 18.18" x 5"
x 5.475" tall.
|
|
$2,038.64
USD
(Price is for all Voltage Systems)
"Dummy"
EURO DIN jumper plugs are $189.00 USD. For use if
you have just 5 battery modules to connect.
|
Combiner
Box Images - click on them for a larger image: |
|
|
A
Lithionics 24 Volt 400 Amp BMS box with 4
battery Combiner Box.
|
This
graphic shows an easy way to "lock in"
the EURO DIN connector cables so that they
do not accidentally unplug.
|

LITHIONICS NEVERDIE BMS INSTALLATION
EXAMPLES:

A Lithionics 24 Volt 400 Amp BMS box (on left behind
plexi-glas) with 4 battery Combiner Box installed
on a Prevost Tour Bus.
|
 |
May
2019: 56' Catamaran Lithium-ion Battery System.
Shown here is the "test
mockup" of this client's 12 Volt, 1,200 Amp
hour Lithionics lithium-ion battery system rated
at 400 Amps constant current. As you can see in
the photos our client did a really nice job of fabricating
a special electronics board to mount the external
BMS box, 4 port Combiner box, Victron MPPT solar
charge controllers, Class T fuses and bus bars.
For this application, we supplied three of the Lithionics
Battery Standard
Series 12 Volt/ 400 Amp hour lithium-ion batteries
in the special 5D battery case.
In
addition, this client opted for the "Dual
Channel BMS" which separates the charge
and discharge functions on the lithium-ion battery
system. Also included on this project was a DC Power
Solutions upgraded high output engine alternator
with external Remote Rectifier which communicates
with the Lithionics BMS through our FCC option (Field
Circuit Control).

This
whole setup fits tightly inside an existing cabinet
on the vessel so it was important to do a dry fit
at our workshop before the client went to his vessel
on Vancouver Island.
In
addition, we supplied a Mark Grasser DC Power Solutions
high output 12 Volt alternator upgrade with the
R210a Remote Rectifier. Click
here for a great article on a Mark Grasser
DC Power Solutions high output alternator upgrade.
|
 |

Lithionics
Battery "Y HARNESS" & "SERIES
CONNECTION MODULE WIRING HARNESSES"

|
|
Description:
|
Lithionics
BMS Part
Price:*
|
Lithionics
Battery Y-Harness
Please Contact Us to see if we can offer this
more economical option for Parallel Connecting
two Lithionics Battery Modules to one BMS
box.


Click
on the PDF logo above for the Y-harness document.
Click
on the image above for a lrger spec sheet
of the Y-Harness used in connecting two Lithionics
12 Volt 600 Amp hour lithium-ion batteries
to a single external 12 Volt NeverDie BMS
box.
The
standard configuration of the Y-Harness uses
2/0 size power and ground cables that are
2 or 3 feet long when the Y-Harness is laid
out in a straight line including the matching
EURO DIN Cable Connectors. We can make the
sets of cables longer - add $35.00 USD per
foot over 3 feet.
The
advantages of the Y-Harness versus a 2 battery
Combiner box include lower parts cost and
in some cases can take up less space and make
installation easier.
|
$678.64
USD
Part Number 75-614-36. This is for the standard
3 foot length Y-Harness. Add $35.00 USD for
each additional foot if you need longer cables.
For
both the Y and Series harnesses it is best
to consult with us to ensure that all your
performance requirements can be safely met.
Please
Contact Us for what you need
|

Lithionics Battery Series Harness
Many of the Lithionics lithium-ion battery
modules (that require and external BMS box)
can be wired in series to obtain a higher
Voltage battery pack. We can provide the special
EURO DIN connector series harness with the
length of cables that you need and the number
of connectors that you need. Generally we
use the big 4/0 power cable. You can see an
example of a Series Harness in the pic below
that connects two 24 Volt batteries in series
to a 51 Volt BMS box.


|

Example: A 3 battery series harness with 3
feet of cabling is $802.40 USD.
Please
Contact Us for what you need
|
|
|
|
|
|
|
Options
and Special Features for your NeverDie Battery Management
System: |
DUAL
CHANNEL BMS 12 VOLTS to 51 VOLTS: |
Part
Number:
|
Description:
|
|
*Lithionics
BMS
Option
Price: |
|

12
Volt Dual
Channel
BMS
Option
NOTE:
DUAL CHANNEL ONLY AVAILABLE FOR EXTERNAL
BMS BOXES.
|

300 Constant Amp or 350 Amp(15 minutes) 12 Volt
Dual Channel Battery Management System.

Note:
12 Volt model shown above
Dimensions of this 12 Volt Lithionics Dual Channel
NeverDie Battery Management System Box is
13" long x 9" wide x 4" tall
and weighs approx. 7 pounds.
IMPORTANT:
Please discuss with us if you have a high current/
Amp load system. For these projects make sure
that the power cables from the BMS box to fuse/
bus bars is at least 2 feet long.
|
We
recommend the Dual Channel BMS for applications
that use solar or wind power (their charge controllers
can sometimes allow Voltage spikes that can
trip the HVC) so that if a Voltage spike is
detected, only the charging path will shut off
and you can still discharge the battery. If
the Voltage spike disappears, the charge path
should automatically relatch after 60 seconds.
NOTE:
When connecting an Inverter-Charger with a single
set of DC power cables to the Dual Channel BMS,
we generally recommend that you connect its
positive DC power cable to the Dual Cahnnel
BMS box's "LOAD" terminal. This applies
to reliable inverter-chargers like Victron,
Xantrex and some other good quality brands.
|

$2,442.93 USD
for 12 Volt
New
Lower Price now includes the BMS box
Click
on the graphic for the related full PDF:
|

Lithionics
also has a feature for our Dual Channel NeverDie
BMS for Solar Systems:
As a part of the High Voltage Cutoff, the BMS
can sense when the solar panels are not outputting
any power (when it is night) and prevent the MPPT
solar charge controller from draining power from
your Lithionics lithium-ion battery. The Dual
Channel BMS fits into a single box (as shown below
with integrated State of Charge Monitor sender
built-in and accessory SOC gauge).
 |
|

24 Volt Dual
Channel
BMS
Option
NOTE:
DUAL CHANNEL ONLY AVAILABLE FOR EXTERNAL
BMS BOXES.
IMPORTANT:
Please discuss with us if you have a high current/
Amp load system. For these projects make sure
that the power cables from the BMS box to fuse/
bus bars is at least 2 feet long.
|

300 Constant Amp or 350 Amp(15 minutes) 24 Volt
Dual Channel Battery Management System.

Note:
12 Volt model shown above
Dimensions of this 12 Volt Lithionics Dual Channel
NeverDie Battery Management System Box is
13" long x 9" wide x 4" tall
and weighs approx. 7 pounds.
|
Dual Channel BMS is only Available for 12
and 24 Volt Applications
Call
604-510-0800
NOTE:
When connecting an Inverter-Charger with a
single set of DC power cables to the Dual
Channel BMS, we generally recommend that you
connect its positive DC power cable to the
Dual Cahnnel BMS box's "LOAD" terminal.
This applies to reliable inverter-chargers
like Victron, Xantrex and some other good
quality brands.
|

$2,442.93 USD
for 24 Volt
New
Lower Price now includes the BMS box
Click
on the graphic for the related full PDF:

|
 |
 |
 |
 |
|

NEW!
51 Volt Dual
Channel
BMS
Option
NOTE:
DUAL CHANNEL ONLY AVAILABLE FOR EXTERNAL
BMS BOXES.
IMPORTANT:
Please discuss with us if you have a high current/
Amp load system. For these projects make sure
that the power cables from the BMS box to fuse/
bus bars is at least 2 feet long.
|

300 Constant Amp or 350 Amp(15 minutes) 51 Volt
Dual Channel Battery Management System.

Note:
12 Volt model shown above
Dimensions of this 12 Volt Lithionics Dual Channel
NeverDie Battery Management System Box is
13" long x 9" wide x 4" tall
and weighs approx. 7 pounds.
|
Dual Channel BMS is only Available for 12
Volt, 24 Volt and 51 Volt Applications
Call
604-510-0800
NOTE:
When connecting an Inverter-Charger with a
single set of DC power cables to the Dual
Channel BMS, we generally recommend that you
connect its positive DC power cable to the
Dual Cahnnel BMS box's "LOAD" terminal.
This applies to reliable inverter-chargers
like Victron, Xantrex and some other good
quality brands.
|

$2,579.64 USD
for 51 Volt
New
Lower Price now includes the BMS box
Click
on the graphic for the related full PDF:

|
 |
 |
 |
 |

Dongle Cable
for
Version 8 external BMS
|

Customers
that wish to take advantage of any of the
BMS options such as FCC, remote On/Off switch,
Automatic Generator Restart and so on will
need to purchase the special 1 foot long "Dongle
Cable" that plugs into the top of the
battery (when an internal BMS is installed)
or plugs into the left side of an external
BMS box.
For
"Standard" Version 8 BMS we use
an 8 pin AMPseal Dongle cable that costs $134.64
USD.
For
"Advanced" Version 8 BMS we use
a 23 pin AMPseal Dongle cable that costs $159.00
USD if you need to replace or upgrade the
Dongle Cable to add more options. For
"Advanced" Version 8 BMS the price
of the 23 pin AMPseal Dongle Cable is included
in the base BMS price.
In
addition, add to these prices the individual
option prices.

Click
on the image to see a larger spec sheet showing
the 23 pin Ampseal Numbering Legend.
|


Click
on the image for a larger image showing the
23 pin Dongle plugged in to a 24 Volt Advanced
Version 8 Lithionics External BMS box.
|

From
$134.64 USD
|
 |
 |
 |
 |

Lithionics Internal Lithium-ion
Battery Heater Kits Type 2 for Version 8 external
BMS
|

Theory
of Operation:
The heater kit is a convecting type heating
system internal the battery or module that
applies and average of 30 Watts per hour (at
-4F/-20C continuous ambient temperatures)
and is controlled by a thermostat. The thermostat
maintains the lithium cell/core to a temperature
between 35 and 40 degrees fahrenheit. This
permits sub-freezing charging operations.
|

NOTE:
NOT AVAILABLE FOR STANDARD SERIES BATTERIES.
|
|
Type 2 Lithium-ion Battery Heater Kit Options:
Note: The Type 1 heater kit option
is now discontinued.
Type
2 Available on the Advanced Series or Standard
Series BMS
-This version uses a separate solid-state
thermostat that is located adjacent to the
lithium core and is separate from the BMS
thermostat, this there is an upcharge for
this version.
-The module (external BMS model) or battery
(internal BMS model) will have a 2-pin Delphi
Weatherpack connector or "dongle"
exiting the case. There are 2 ways to power
the thermostat and heater kit:
1.
Bring the positive and negative connection
points back to the DC common bus. Thus, if
DC power sources are available, the thermostat
is powered. Use this feature when using the
batteries.
2.
The Type 2 kit affords the user the ability
to turn the battery off, placing it into storage
mode, and to use an AC to DC power supply
(example attached on the PDF) to bring a simple
extension cord from an AC plug and power the
thermostat in "storage mode" through
the winter season. You may purchase the power
supply from Lithionics Battery (click
here for the power supply PDF) but if
you choose to purchase your own, size it for
a 90 Watt surge followed by a 70 Watt continuous
output. The heater kit operates 50% duty cycle
per hour thus about 30 Watts per hour power
consumption net.
Read
more in the Lithionics PDF...
|
 |
 |
 |
 |
|
Lithionics
Battery ACR
Click
on the PDF logo below for the full details on
the Lithionics ACR:

|

Below
is a functional diagram showing the typical
components of a system where ACR is used to
bridge Chassis and House batteries.


|
Automatic
Combiner Relay Controller (ACR) Applications
Overview
An
Automatic Combiner Relay (ACR) is often used
in vehicle applications such as RVs, Work Trucks,
Marine vessels, etc. to allow charging separate
Chassis and House batteries from common charge
sources such as an engine alternator, inverter/charger,
solar. In a typical vehicle the chassis battery
is reserved for engine starting, while the house
battery is used for “hotel” (or house loads)
or work-related loads. Normally, when the engine
is running, the chassis battery is charging,
but when the vehicle is stationary and connected
to the power grid, the house battery is charging.
Our intelligent ACR allows customers to take
advantage of all situations to keep both batteries
charged, while keeping them separate when charging
is not available or not desirable.
Lithium
batteries have an advantage of absorbing as
much charge current as possible during the bulk
charge stage, which could overheat and potentially
damage stock engine alternators, so our intelligent
ACR reduces the duty cycle and allows cooling
periods. At the same time, a lithium battery
requires charge termination when fully charged,
so our ACR keeps it disconnected after the charge
cycle is completed. Read more in the PDF below...

|
$498.90
USD with Contactor
|
 |
 |
 |
 |

Temperature Sensor Extension Cables and "T"
Connectors
for
Version 8 external BMS
|

In
some multi-battery Lithionics lithium-ion
battery installations where multiple batteries
are connected to a single Version 8 external
BMS box, we may need to provide you with the
black temperature sensor extension cables
and special "T" connectors. These
plug in together so that you will have a single
black temperature sensor cable going from
the battery system to the single temperature
sensor input cable assembly on the BMS box.
NOTE:
Please remember that with the new UL approvals
on the Lithionics Battery products, we want
to make sure that the batteries themselves
are not exposed to temperatures exceeding
113 Fahrenheit or else the BMS will switch
battery power off. This functionality is to
ensure that you get the exceptional Battery
Cycle Life that our chart shows.
Contact Us if you need special cooling
systems for the battery compartment or visit
our Accessories
Page.
|
|

Temperature T-splitter:
$18.50 USD
6
foot temperature extension
cable:
$27.00 USD
or
Contact Us for what you need
|
 |

NMEA
2000 |

Lithionics
Battery and Ocean Planet Energy are able to
offer communications/ display and programming
so that the Lithionics NeverDie Battery Management
System can integrate with NMEA 2000 devices/
systems offered by leading ship systems monitoring
manufacturers such as MasterVolt (CZone Platform).
We
can get a fair amount of the Lithionics data
to N2K, by utilizing a Wakespeed WS500 (available
through Pinnacle Innovations/ getlithium.com
or AP500) together with an OPE-Tether.
However, some of the available data on the
Lithionics BMS side isn't readable by N2K
as the PGNs don't exist. For instance, high
cell voltage, low cell voltage, etc.
Luis
Soltero at Ocean Planet Energy has written
a nice article on NMEA 2000 integration with
the popular Wakespeed External Voltage Regulators
that we often supply with high output alternators
on ships/ RV's. https://panbo.com/how-wakespeeds-ws500-alternator-regulator-solves-complex-charging-issues-a-new-approach/
For
a list of PGN
descriptions click here.
127508
for example.
Provides parametric data for a specific DC
Source, indicated by the instance field. The
type of DC Source can be identified from the
DC Detailed Status PGN. Used primarily by
display or instrumentation devices, but may
also be used by power management.
-
Battery
Instance
-
Battery
Voltage
-
Battery
Current
-
Battery
Case Temperature
-
Sequence
ID
and
127506
Provides parametric data for a specific battery,
indicated by the battery instance field. Used
primarily by display or instrumentation devices,
but may also be used by battery management
controls.
-
Sequence
ID
-
DC
Instance
-
DC
Type
-
State
of Charge
-
State of Health
-
Time
Remaining
-
Ripple
-
Voltage
-
Amp
Hours
|

Email
Us
or
Contact Us for what you need and we can
come up with a quote.
Please
be sure to let us know what makes/ models
of equipment that you are working with.
|
 |
 |
 |

USB
Telemetry
(Streaming
Data)
|

USB, DB9, 0- 5 Volts/ 3-Bit Register Outputs
(Streaming Data)
USB
port and cable used with the BD9 New NeverDie
System. Measures all functions. Programmed at
factory to match battery and voltage of battery.
Measures/ Displays:
Voltage
Amperage Draw
State of Charge
Amp Hours Remaining
Battery Fuel Gauge
and more via CAT5 Ethernet cable connection.
Please
order when you order your battery and State
of Charge System.

|

$210.94 USD
|
 |

CANbus:
Internal
BMS |

CANbus connection option: Limited availabity
for INTERNAL NeverDie BMS Batteries and
Must be Ordered at Time of Ordering Battery
and please inform us if you also need CAN terminators.
Can
be used to connect to NCC smart lithium-ion
battery chargers or to connect to existing equipment
to integrate our SOC functions with your master
display system commonly found on yachts and
RV's - such as the Silverleaf System.
Measures
all functions. Programmed at factory to match
battery and voltage of battery. Measures Voltage,
Amperage Draw, State of Charge, Amp Hours Remaining,
Battery Fuel Gauge and more via CAT5 Ethernet
cable connection
Measures/ Displays:
Voltage
Amperage Draw
State of Charge
Amp Hours Remaining
Battery Fuel Gauge
and more via CAT5 Ethernet cable connection.
CANBus
Data Interface PDF:
Please
order when you order your battery and State
of Charge System.
|
Now
included - just pay for the communication cable
that you need.
|
 |
|
|
|
Now
included - just pay for the communication cable
that you need.
|
 |
|
|

External On/ OFF Switch.
If you plan to mount the BMS box (or one
of our internal BMS lithium-ion batteries)
in a difficult to reach location where you
cannot quickly/ easily access the small round
BMS reset/ On/Off buttons, we can provide
and external BMS switch with 15 feet or 25
feet of power cabling. This
feature has 2 wires coming out of the BMS
that are red
and white (white)
in colour.
Price for Internal BMS lithium-ion
batteries is $169.42 USD.
This
is an On/Off Momentary Switch. Press for 1
second to reset/ turn On system, press/ hold
for 5 seconds to soft power down the system.
When
the battery is On a 1/2 second push manually
turns on the generator at the Automatic Generator
Start (AGS) point.
New:
When the battery is charging, the illuminated
round switch (remote switch or the switch
on the battery or BMS box) will flash blue.
Pricing
- There Are 3 Options:
1. For our Internal BMS Lithionics lithium-ion
batteries it is only available as a non-illuminated
(no LED light ring) remote switch for $126.64
USD. Some models may also need the 8 Pin
AMPseal connector harness which is sold separately
for $134.64 USD. Use Part Number: 75-122-180-KIT.
2.
For the Advanced Version 8 External BMS
boxes that use the 23 Pin AMPseal connector
harness the cost of the illuminated (blue
LED light ring) Remote Reset Button option
is $134.64 USD for the Remote Button feature
that comes with 15 feet of wire. Use Part
Number: 75-215B-180.
If
you need 25' of wire add $10.00 USD.
You will also need the 23 Pin AMPseal connector
harness that costs $159.00 USD.
3. For the Standard Version 8 or Version
9 External BMS boxes the cost of the illuminated
(blue LED light ring) remote reset option
is $134.64 USD for the remote switch feature
that comes with 15 feet of wire. Use Part
Number: 75-224-196.
If
you need 25' of wire add $10.00 USD.

|

Non-
illuminated
(no LED
light ring)
remote
switch for
Internal/
External BMS
batteries is
$126.64 USD.
$169.42
USD
for LED
remote switch for Internal
BMS Battery Systems
$134.64 USD
for LED
remote switch
for External
BMS Box Battery
Systems
|
 |
|
|

Field Circuit Control to control Alternator
-Chargers (formerly called FEC). Important
Safety Option - Designed for use with Balmar
external Voltage Regulators Only.
This
is an important safety feature to control
Alternator-Chargers and can be added to any
Internal NeverDie BMS for $125.43 USD. This
feature can control up to 3 separate alternators.
With
multiple alternators connected to a single
BMS we wire the alternator feed wires to the
FCC's 2 wires in parallel. This feature has
2 wires coming out of the BMS that are both
violet in colour.
This is a Normally Closed (N.C.) Relay - this
circuit opens when the High Voltage Cutoff
(HVC) condition is detected.
If your BMS is wired to your alternator's
field or regulator circuit, it will disable
the alternator's output by opening this circuit
when HVC condition is detected, to protect
the battery from being overcharged. The BMS
will open this circuit 500ms prior to opening
main contactor, allowing alternator field
to collapse which protects the alternator's
diodes from potential damage.
Protects the alternator diodes by safely discharging
field energy prior to disconnecting the battery.
Disables alternator output when battery detects
overcharge, in HVC event.
Quote
from the Advanced Version 8 BMS Guide PDF:
" Field Control Circuit (FCC) -if
your BMS is wired to your alternator's field
or regulator circuit, it will disable the
alternator's output by opening this circuit
when HVC condition is detected, to protect
the battery from being overcharged. The BMS
will open this circuit 2 seconds prior to
opening main contactor, allowing alternator
field to discharge which protects the alternator's
diodes from potential damage. This circuit
can also be used to disable other charge sources,
such as solar controllers or inverter/charger's
charge function."
As
our lithium-ion batteries are "smart
batteries" with a High and Low Voltage
Cutoff (HVC, LVC), the FCC control circuit
works as a relay that interfaces with the
alternator Field Effect to tell the alternator
to stop charging if our NeverDie Battery Management
System is switched off (example: the alternator
or Voltage regulator is sending too much Voltage).
This is critical as an alternator that is
charging with no place to dump the power can
burn up. With old technology lead batteries,
a faulty alternator will just keep dumping
power to a lead battery and ruin the lead
battery.
The
FCC option is most often used in applications
where an Alternator has an external Volatge
Regulator. Internally regulated Alternators
(such as most OEM automotive alternators)
do not require the FCC option. Most of our
Marine/ Yacht Customers with special aftermarket
Balmar alternators with external or remote
mounted Voltage regulators choose the FCC
option.
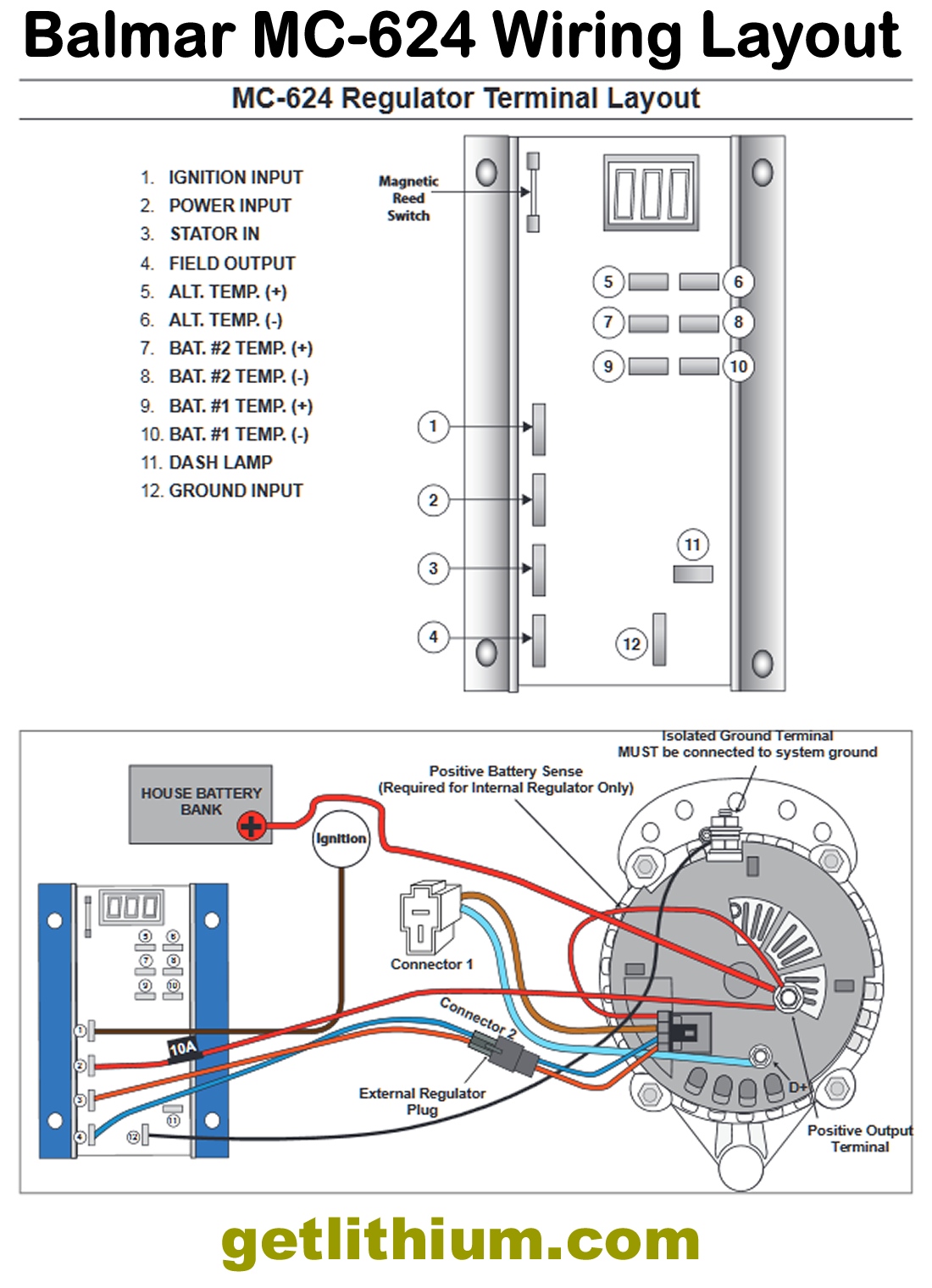
| Click
on the graphics for FCC wiring diagrams: |
|
12
Volt External Voltage Regulators:

More
info/ pricing on Balmar external Voltage
Regulators shown down the page...
|
24
Volt External Voltage Regulators:

|
IMPORTANT
INSTALLATION NOTES:
When installing this device on a high
performance alternator that uses an
external Voltage Regulator like the
Balmar MC-614 or MC-624-H and
a Perfect
Switch POWER-GATE Dual Battery Isolator,
we may need to connect the external
Voltage Regulator's "Battery +"
wire to the engine starting battery's
positive post or to the "Main Battery"
stud post on the Perfect Switch instead
of the "Battery Positive + Post"
on the alternator. The reason is that
with the Perfect Switch dual isolator
installed, the alternator's "Battery
Positive + Post" does not have
power until the Perfect Switch device
is active and as a result the Voltage
Regulator may not turn on as desired
when cranking the engine. If possible,
we recommend bench testing the alternator/
batteries and Perfect Switch system
prior to installing on the vehicle.
The best way is to follow the Alternator/
external Voltage Regulator's Installation
Instructions but if the Regulator does
not power up then try using this alternate
wiring option of the Regulator's "B+"
or "Battery Positive +" wire.
IMPORTANT: If you have a Balmar
External Voltage Regulator connected
in the system please advise so that
we can program the Perfect Switch device's
trigger time to one minute (Balmar regulators
have a 35 second delay before they power
up).
|
NOTES:
1. With the new Advanced Version 8
BMS (with Amp23 seal) it comes with the special
1 foot dongle so the cost of the FCC option
is $25.84 USD for the FCC feature that comes
with 15 feet of wire.
2. With the new Standard Version 8
BMS the cost of the FCC option is: $134.64
USD for the 1 foot special dongle cable plus
$25.84 USD for the FCC feature that comes
with 15 feet of wire for a total of $160.48
USD. If you need 25'
of wire add $10.00 USD.
3. When using multiple islanded independent
Lithionics battery banks with their own NeverDie
Battery Management System (BMS) AND the FCC
option, the FCC wires coming out of the BMS
are wired in Series to the alternator(s).
4. If you have more than 1 alternator with
external Voltage regulator connected to a
Lithionics lithium-ion battery and FCC equipped
BMS, we wire the two FCC wires in parallel
to the alternators and Voltage regulators.
5. The FCC option can be used to connect to
other control devices. The 2 wires from the
FCC are a "normally open circuit".
|

From
$25.84 USD
Price
for
Internal
BMS is
$125.42 USD
|
 |
Serial
Data Option
|

With the new Advanced Version 8 BMS the cost
of the Serial Data option is: $134.64
USD for the 1 foot special dongle cable plus
$66.64 USD for the 6 foot serial data cable
feature for a total of $201.28 USD.
RS232-UART
Serial Data Interface PDF:
NOTE:
The RS232-UART Serial Data Interface is no
longer available. Choose the Blutooth or RS232
Options.
|

$201.28 USD.
NOTE:
The RS232-UART Serial Data Interface is no
longer available.
|
 |
|
|

Some customers want to have a visual or auditory
signal when the BMS shuts off due to an error/
fault or when the batteries are discharged
to the safe point. This two wire option can
be connected to a user supplied external device
such as an LED warning light or warning buzzer
to notify the customer when the BMS shuts
off. Be sure to select the correct Voltage
specs for your device to match the battery
system output Voltage. Price for Internal
BMS lithium-ion batteries is $125.42 USD.
This
feature has 2 wires coming out of the BMS
that are red
and pink in colour.
These output a 12 Volt power and ground when
in Alarm mode.
Below
are the warning timings for the alarm circuit.
The alarm circuit is a normally closed circuit
that will open when a BMS fault is detected.
The BMS buzzer will also activate. The alarm
circuit will activate prior to the BMS contactor
opening for the seconds listed below:
-
OptoLoop
Event: 5 seconds
-
HVC
Event: 20 seconds (High Voltage Cutoff)
-
RVC
Event: 20 seconds
-
LVC
Event: 20 seconds (Low Voltage Cutoff)
-
Temperature
Event: 20 seconds
-
Overcurrent Event: 120 seconds
NOTES:
1. The alarm circuit feature is accessed by
2 wires over the Ampseal harness. The circuit
is normally closed, and has a voltage limit
of 15V and a current limit of 1A. You can
use this to activate an external buzzer or
light. However, the output is all-inclusive
for any alarm events. The AGSR circuit can
be used to activate a low-battery alarm (normally
open, 24V 2A rated circuit), but otherwise
there is no way to differentiate the events.
We recommend having the status code and Bluetooth
app available to determine the exact fault
condition.
2.
With the new Advanced Version 8 BMS
(with Amp23 seal) it comes with the 1 foot
special dongle cable so the cost of the Alarm
Circuit option is: $25.84 USD for the Alarm
Circuit feature that comes with 15 feet of
wire. If you need 25'
of wire add $10.00 USD.
3.
With the new Standard Version 8 BMS
the cost of the FCC option is: $134.64 USD
for the 1 foot special dongle cable plus $25.84
USD for the FCC feature that comes with 15
feet of wire for a total of $160.48 USD. If
you need 25' of wire add $10.00 USD.
|

From
$25.84 USD
Price
for
Internal
BMS is
$125.42 USD
|
|
|

AGS/R
|

Automatic Generator Start/ Restart
Circuit. Add price to any External NeverDie
BMS. This
feature has 2 wires coming out of the BMS
that are both blue
in colour.
This is a N.O.
(Never Open) Relay - the
N.O. Relay closes when Voltage drops below
3.0 volts per cell or below "Low Fuel"
reading on the SOC round display gauge. The
circuit Opens when 3.5 Volts per cell is reached
after a 15 minute delay. You can manually
turn on and off by briefly pushing the BMS
Reset Button when the battery is turned on.
Normally
Open Dry Contact Relay to signal the generator
on/off when battery needs charging. Requires
a generator with auto-start function.
Closes
when Voltage per cell drops below 3.0 Volts
or below "Low Fuel" on SOC display.
Circuit Opens when 3.5 Volts per cell is reached
after a 15 minute delay. (Manual turn on and
off by briefly pushing Reset button on the
battery or BMS box for 1/2 second when the
battery is On).
Click
on the graphic for the Lithionics Battery
Management System AGS/R PDF:
NEW:
We can also use the AGS/ R option on many
RV applications where the diesel engine alternator
cannot be controlled by the FCC function.
In this case we can use a Battery-to-Battery
Charger such as a Victron Energy Orion-TR-Smart
(preferred option -
Visit our Victron Energy page here...)

or
a Sterling BB1230, BB1260 or BB242435 12 or
24 Volt charger.
|
|
|
|
|
Sterling
Power BB1230 12 Volt to 12 Volt DC battery
to battery charger. 30 Amps output.
Price: $406.64 USD
|
Sterling
Power BB1260 12 Volt to 12 Volt DC battery
to battery charger. 60 Amps output.
Price: $542.64 USD
|
Sterling
Power BB242435 24 Volt to 24 Volt DC
battery to battery charger. 35 Amps
output.
|
Summary
Sterling Power BB1230 12 Volt to
12 Volt DC battery to battery charger
"Custom Charge Profile Programming
Instructions" for the Lithionics
12 Volt, 315 Amp hour GTX internal
BMS battery:
-
Step 1: Connect the Sterling Device
to a 12 Volt power source/ battery
with appropriate fuse.
- Step
2: Remove the access cover at
the bottom of the charger to expose
the two programming buttons. Note:
Do not quickly press the selection
buttons as they are a bit slow
to respond.
- Step
3: Press and hold down both buttons
for between 10 and 20 seconds
- we recommend 15 seconds.
- Step
4: This override all factory settings
and allow us to use the "Custom
Settings". With the right
button press it to move the illuminated
LED all the way down to the bottom
which is a hard to see faint red
LED "Custom" position.
- Step
5: Press both buttons for 1 second.
- Step
6: Now we set the bulk/ absorb
charge Voltage. Press the right
button until the two LEDs labelled
14.6 and 14.2 Volts are illuminated
(LEDs #18 and 19). This position
indicates our desired Voltage
of 14.4 Volts. Press both buttons
for 1 second to lock it in.
- Step
7: Using the right button, navigate
to the LED # 20 that says 13.8
Volts. Press both buttons for
1 second. This sets an intermediary
float Voltage.
- Step
8: Use the right button to illuminate
the LED # 6 labelled 13.4 Volts.
This is the float Voltage that
we want. Press both buttons for
1 second to lock it in.
- Step
9: Now we need to set the minimum
absorption time. Use the right
button to scroll to LED #4 (LED
22) = 120 minutes. Press both
buttons for 1 second to lock it
in.
- Step
10: Now we set the maximum absorption
time. Use the right button to
select 360 minutes which is LED
#8. Press both buttons for 1 second.
- Step
11: If you like, in this step
you can program the low temperature
shutoff function of the Sterling
Charger. For the Lithionics batteries
we suggest that you set this to
+3 or +4 Celsius. This will turn
off the Sterling Charger in cold
and very cold temperatures so
that it does not trigger the Lithionics
Battery cold temperature intervention
that will shut off power to the
Lithionics Battery if there is
battery charging detected and
the battery is at or below 0 Celsius.
- We
are now done and the green LEDs
should flash and the device should
beep and reboot.
- NOTE:
The buttons are a little tricky
to work with so we suggest programming
the unit on a workbench and you
may have to go through the process
a couple times. Click on the PDF
logo below for a copy of the instructions.
|
|
|
|
Click
on the PDF logo for a copy
of the instructions.
|
|
The
Sterling Battery to Battery DC Chargers
can be "Stacked" or Parallel-Connected
to double or triple the charging current
- as long as you alternator/ source
battery can support this. Visit our
Contact
Us page to contact us about the
Sterling Power chargers and check
out the Custom Programming video below:

Click
on the link to see the brief setup
video for the Sterling chargers...
|
Previously
we had used a MasterVolt Charge Mate current
limiting relay but the problem with these
type of devices is that they do not offer
proper multi-stage charging. Details
on how this was used on our old BMS page here...
The
factory alternator will not float at 13.4
Volts like the lithium wants. Therefore, if
you don't use some kind of logic then the
factory alternator will maintain too high
of Voltage and the BMS will shut off to prevent
damage to the battery. (See Page 2 for AMPSEAL
Pins and Functions Description. Obtain the
mating AMPSEAL connector from Lithionics Battery
to activate these functions)
The
reprogramming of the Lithionics SOC gauge
or Bluetooth App can be done fairly easily.
For the Bluetooth App you can change this
setting through the Bluetooth app by connecting
to the battery, then selecting the settings
(gear wheel) in the top right corner. There
is then a button for a terminal console session.
Click
here for the SOC Programming Guide.

SOC
Programming Guide
Once
in the terminal, data will begin streaming.
You can then enter the following commands:
AT+SETUP
Then,
AT+LIST
This will show the current settings- you can
verify the AGSR setting.
AT+AGSRON = 80
You
can then double check the setting has changed
by sending the AT+LIST command again.
Once
done reviewing the list, send the AT+END command.
You
can then retest the Mastervolt ChargeMate
to see if it engages once the battery is below
80%.
ADDITIONAL
AGS/ R NOTES:
1. With the new Standard Version 8
BMS the cost of the Automatic Generator Restart
option is: $134.64 USD for the 1 foot special
dongle cable plus $25.84 USD for the Automatic
Generator Restart feature that comes with
15 feet of wire for a total of $160.48 USD.
If you need 25' of wire
add $10.00 USD.
2. With
the new Advanced Version 8 BMS (with
Amp23 seal) the special 1 foot dongle is included
so the cost of the Automatic Generator Restart
option is $25.84 USD for the Automatic Generator
Restart feature that comes with 15 feet of
wire. If you need 25'
of wire add $10.00 USD.
Please Note: For
Safety Reasons this option may not be suitable
for Marine Applications that have generator
cooling systems that rely on sea water or
lake water for generator cooling because if
the cooling system fails and nobody is onboard
the vessel could be flooded.
|
From
$25.84 USD
Price
for
Internal
BMS is
$125.42 USD
|
 |

Dedicated Power
Circuit
|

Dedicated Power Circuit that will
still power critical functions even when the
NeverDie is tripped or the battery is switched
off. This feature is of particular importance
to Marine applications such as Bilge Pumps.
In this case, the battery can deliberately be
over-discharged and sacrificed to ensure the
vessel stays afloat. We can also offer this
feature on other batteries to power computers,
radios etc. that need constant power. The output
of this lead is limited to 50 Amps. This feature
can be added to any NeverDie BMS for $262.45
USD.
|

$262.45 USD
|
 |
-
You
will find on our BMS what we call the "Common
Cell Loop" wires that are the
16 gauge green
wires. These provide the optoelectric
communications between each cell in the
battery pack(s) and the BMS system. For
external BMS systems, these wires are integrated
into the Version 8 BMS EURO DIN connector.
-
You
will also find on our earlier versions of
the BMS what we call the NeverDie Negative
Reference Wire. This is a single black
wire with a weather-pack connector on one
end and a 3/8" hole eyelet cable end
on the other end. This is a ground wire
and it needs to connect to the negative
bus bar that is the common ground in the
system that also connects to the negative
battery cables. For external BMS systems,
this wire is integrated into the Version
8 BMS EURO DIN connector.
-
RS-232
- This is an option for transmitting Serial
Data. It is a grey
cable to M12 A code connector.
 |
 |
Accessory Model
|
|
Lithionics
Price:*
|

IONGAUGE SOC-STATUS
Round State of Charge Monitoring System (SOC)
Fuel Gauge Option |

Multi-Function-Display for the Compact Series
(CS200) BMS Battery System ("MFD"
Gauge)
Description:
a hard-mounted display to provide State of Charge,
State of Health and Diagnostic Code data. A
single display will connect to 1 or more batteries
operating in parallel.
Compatibile with all current Lithionics Battery
systems. 24 feet of CANbus connection cable
included for 1 BMS connection.
NOTE:
The IONGAUGE can be used to monitor two of the
below batteries connected in parallel.
GTX12V315A-E2107-CS200
GTX12V320A-E2107-CS200-UL
Full
Systems Monitoring - Battery Fuel Gauge, SoC
Gauge and Error Reporting. It is necessary to
have our full State of Charge System kit to
make this gauge work (the Advanced Version 8
Battery Management System). Comes with plug
and play cable. Connects in seconds.
Some
of the 17 parameters displayed:
- Graphical
and numeric battery "fuel gauge"
showing remaining energy/ Amp hours
- Volts
- Net
Amps being consumed or charged
- Status
codes (used for troubleshooting)
- Cumulative
Amp hours consumed (new) and more...


Above
Wiring Diagram is for two or more GTX Series
Internal BMS Batteries Connected to 1 ION Gauge
|




Gauge
outer diameter is 3.77".
Use a 3.40" or 86.46mm holesaw for cutout.
Additional
Harnesses Info:

ION
Gauge SOC harness. Part number 75-521-288: $135.90
USD.
NOTE: This has been discontinued and replaced
with a dual CANbus harness that permits 2 CANbus
connections - part number 75-523-288 below.

ION
Gauge SOC harness. Part number 75-523-288: $135.90
USD. Use this harness if you need to connect
both an ION Gauge and a second CANbus connection.
NOTE: When
connecting 75-521-288 to just one battery you
must use the "battery cable #1" and
the other battery cable #2 of the harness will
not be used and can be coiled up out of the
way.
|

ION
GAUGE
$545.54 USD total which includes
the simple 24 foot long harness part number
75-523-288. This combo Gauge/ Harness
becomes part number 51-160.
(Price is for 12-24 Volt Systems. Prices are
higher for high Voltage Applications.)
NOTE:
When connecting 75-521-288
to just one battery you must use the "battery
cable #1" and the other battery cable
#2 of the harness will not be used.
NOTE:
The single CANbus harness part number 75-521-288
has been discontinued and replaced with a
dual CANbus harness that permits 2 CANbus
connections - part number 75-523-288.
Optional
Networking and Monitoring: Lithionics
M12 + to M12 - DeviceNet (RVC) adater cable
for networking Lithionics BMS to RVC CANbus.
Part Number: 75-524-18
$76.16 USD
Weatherpak
Female to DeviceNet drop adapter cable for
IONGAUGE. Part Number: 75-219W-36
$59.84 USD
Lithionics
PDFs for the ION Gauge:

Contact
us for a PDF that shows multiple CANbus connection
wiring diagrams. Example: connecting the ION
Gauge and Wakespeed WS500 alternator external
Voltage regulator. (available
through Pinnacle Innovations/ getlithium.com)
|
 |
 |
 |
 |
|
|

Bluetooth
State of Charge (SOC) Monitoring System
|

Full
Systems Monitoring - Battery Fuel Gauge, SOC
Gauge and Error Reporting. Shows:
It
is necessary to have the Advanced Version
8 Battery Management System (BMS). Offered
as an option for internal or external BMS
Box Lithionics Battery Systems.
This
option is available for all Lithionics Batteries
with built-in Advanced Version 8 BMS as
well as the low cost 125 Amp hour AGM Replacement
Battery (we can also offer it some of the
small/ mid-size 12 Volt batteries such as
the 75, 110, 150 and 195 Amp hour lithium-ion
batteries).
IMPORTANT
NOTE:
The “Firmware Update” feature is also located
in the Settings menu. Firmware update option
is not available on older battery models.
NOTE: The firmware
update should only be performed if necessary.
As such, unless the APP prompts you to update
the Firmware or you are experiencing a problem
that you have discussed with Pinnacle Innovations,
we do not recommend that update the Firmware.
Works
with both Android and iPhone Smartphones.
Bluetooth range varies depending on battery
system location but is typically 50 to 60
feet.
|


Ambient
power draw is 10 milliamps.
Please take this into account when storing
your battery as this could deplete a fully
charged 100 Amp hour battery in about 400
Days.
|

$174.44
USD for the Bluetooth circuit board.
NOTE:
This option must be ordered with your battery
or BMS system.
The
downloadable APP is Free at the Apple Store
- Search for Lithionics Battery Apps
Click
here for the Free download APP at the Google
Play site
Click
on the PDF logo below for the Bluetooth SOC
guide/ programming instructions.

NOTE:
The Bluetooth circuit board can be added to
some existing BMS boxes at the Lithionics
factory. Please add $199.00 USD for this service
in addition to the $174.44 USD cost for the
circuit board.
|
 |
|
|
Questions?
Call Us at 604-510-0800
|
 |
 |
|
|
|
|
 |
 |
|
|
|
Lithionics
Advanced BMS Included Features
-
OptoLoop interface.
A uniquely designed continuous opto-isolated
loop circuit running through each battery
cell's voltage monitor. OptoLoop alerts
the BMS if any single cell is outside of
the acceptable voltage range.
-
Power/Storage
Mode Switch.
Shuts off battery power in Storage Mode,
provides additional safety and compliance
with US/DOT regulations for shipping batteries.
-
200A
Contactor. Zero
coil energy consumption compared to classic
relays which consume over 2 Watts of power
continuously.
-
Reset/On/Off
button (multifunctional).
Intelligent control of multiple functions,
see more details in Product Manual sections
below.
-
Coulomb
Counter based SOC meter.
Precision SOC measurements using Hall Effect
sensor and Coulomb Counter to integrate
charge/discharge current over time.
-
Reserve
Voltage Cutoff (RVC).
NeverDie function - 10% energy reserve when
you need it most. Configurable reserve level
based on true SOC value.
-
Low
and High Voltage Cutoff (LVC/HVC).
Pack level and Cell level battery protection
from over-charge and over-discharge.
-
External
Temperature Sensor.
Factory installed temperature sensor inside
the battery module to report actual battery
core temperature to the BMS, which can disconnect
the battery power in extreme temperature
conditions, to prevent battery damage due
to overheating or freezing.
-
Field
Control Circuit (FCC). Protects
the alternator diodes by safely discharging
field energy prior to disconnecting the
battery. Disables alternator output when
battery detects overcharge, in HVC event.
-
Automatic
Charger Detection.
Senses voltage on the load side of the BMS
when charge source is present and turns
the battery on for charging.
-
Short
Circuit Detection.
Disconnects the battery when a short circuit
is detected.
-
TVS
Flyback Diode.
Protects the BMS from inductive kickback
at the load side when the contactor is open.
-
Sealed
NEMA Enclosure.
The BMS is housed in a sealed NEMA box for
convenient placement near the battery modules.
-
VTE
Power Posts.
Heavy duty terminal posts for the battery
and load connections.
-
Deep
Sleep Mode.
Zero BMS idle load on fully discharged battery.
Optional
Features (see
pricing above)
-
Automatic
Generator Start/Restart (AGS/R).
Normally Open dry contacts to signal the
generator on/off when battery needs charging.
Requires a generator with auto-start function.
-
Alarm
Signal Circuit.
Sends an audible or visual alarm signal
to get attention when the BMS detects a
problem with the battery modules.
-
400A
Contactor.
Double the current rating for higher power
systems.
-
Dual
Contactor.
Separate Charge and Load busses for more
complex systems.
-
EURO
DIN Advanced connectors.
Improves connection safety by eliminating
terminal posts and integrates OptoLoop connections.
Truly Plug and Play battery connections.
-
Pre-charge
Relay circuit.
Pre-charges capacitive loads such as inverters
or motor controllers to protect the BMS
contactor from welding during inrush transient.
-
NCC
Charger control.
Controls NCC Chargers over CANBus interface
(chargers sold separately).
-
AC
power sense for Charge Detection.
Enables charging when AC power is present,
but charger must sense the battery to start
charging.
-
Remote
Reset/On/Off button.
Wiring harness with Reset button for remote
battery operations.
-
Round
LCD pod. Round 2" LCD display
for panel mount, shows all available battery
data such as SOC, Volts, Amps, Watts, etc.
-
Tri-Color
LED pod.
Used for simple state of charge indication:
Green/Yellow/Red.
-
CANBus
Data interface. Connector
for CANBus Data Logging.
-
Serial
Data interface.
Connector for UART Serial Interface. Supports
conversion to USB or RS232 with separate
dongle/adapter for data logging and BMS
configuration.
-
TCP/IP
Data interface.
Ethernet network interface for TCP/IP data
logging and configuration.
-
DAP
(Drive Away Protection).
An extra safety feature for propulsion applications
which prevents moving while charging.
-
Bilge
Pump Terminal.
A separate dedicated contactor for a bilge
pump with energy reserve to run the pump
when other loads are turned off.

Custom
Features
-
Wi-Fi,
Bluetooth, RS485/Modbus interface, etc.
Custom
data interfaces and other unique features
can be developed for customers with unique
requirements. Development / Engineering
costs will apply. Contact
us for details.
|
|
 |
 |
 |
 |
|
|
NOTE:
Please discuss with getlithium.com/ Pinnacle Innovations
the expected temperature extremes that your Lithionics lithium-ion
batteries will be exposed to as there are acceptable limits
that we need to work within. In most cases we can offer
either a manual or automated heating or cooling system to
permit your system to work in all conditions.
WHAT
IS A BATTERY MANAGEMENT SYSTEM, WHAT DOES IT DO AND HOW
DO I ORDER IT?
Answers:
The Lithionics Battery Management System is necessary for
lithium ion batteries. It is a specially programmed computer
and electronics that ensure safe, reliable and optimal performance
of your lithium ion battery. Lithium ion battery packs are
sophisticated, high tech electronic power modules that need
to have the individual cells balanced, charging and discharging
functions controlled, temperatures monitored and many other
critical functions controlled.
Lithionics
Battery Management System is called NEVERDIE. The NEVERDIE
Battery Management System (also called BMS) can be fully
customized to meet your needs and demands from your lithium
ion battery.
Typically,
the NEVERDIE Battery Management System can be ordered 2
ways:
As
an integrated, internal component for the battery (typically
used for single battery systems) or
As
an external component for your battery (typically used for
multi-battery systems).
Also,
the NEVERDIE Battery Management System can be ordered for
the correct Voltage of your battery (12 Volts, 24 Volts,
36 Volts, 48 Volts, 72 Volts and any Voltage in a multiple
of 12) as well as the required total continuous Amperage
you need to draw from the battery (80 Amps, 100 Amps, 200
Amps, 400 Amps, 550 Amps and higher). Please Note: Our
Lithionics batteries that have an "M" style internal
NeverDie BMS such as "4M, 6M or 8M" are a simpler
BMS than the external NeverDie BMS boxes and only have the
"Low Voltage Cutoff" (LVC) and do not have the
High Voltage Cutoff (HVC) protection. This is important
to keep in mind when selecting a battery model. The batteries
equipped with the internal NeverDie "M style BMS"
should really only be used in applications such as automotive
engine starting that uses an internally regulated alternator
for charging. If you application has other methods of charging
such as solar, generators and auxilary chargers, we always
recommend the more advanced "CTRL200, CTRL400 or CTRL550
NeverDie BMS" as they give added protection against
overcharging with too high a Voltage.
Last,
the NEVERDIE Battery Management System can be ordered with
custom features to meet specific needs or for complex battery
installations where battery recharging can be done with
a vehicle alternator, a generator, solar power, a secondary
charger (inverter/ converter) or any combinations of these.
We
are here to help you take the guesswork out of getting you
the right battery management system that will serve your
current needs, as well as address your future battery power
needs. Call us at 604-510-0800 or email us at siteinfo@shaw.ca
and let us answer your questions and get you the right system.
IMPORTANT
NEVERDIE BMS NOTES:
1. The Lithionics Advanced Battery Management System
incorporates "Battery Temperature Monitoring"
that can shut off battery power in Extreme Cold or Extreme
Hot conditions to ensure that charging does not occur except
within the UL listed parameters. The reason is simple: operating
within the optimal temperature ranges ensures you that can
achieve the extremely high cycle life that the Lithionics
batteries offer. This system also interfaces with the State
of Charge Monitoring Kit (SOC). As such, for recharging
of the battery, we want to make sure the battery is above
0 Celsius or 32 Fahrenheit (we can still discharge at -20
Celsius) or below 113 Fahrenheit (we can discharge up to
140 Fahrenheit). Worth noting is that when the temperatures
fall back within the parameters, the system automatically
re-latches. We have several ways that we can automatically
keep the battery system at optimal temperatures for full
operation at all times (charging and discharging) so this
is an important subject to discuss with getlithium.com/
Pinnacle Innovations. Lithionics can provide an internal
heating system for the batteries that turns on/ off automatically
for $519.90 USD for mid and large size batteries (150 Amp
hours and higher) and $389.00 USD for select smaller battery
models. getlithium.com/ Pinnacle Innovations also offers
an
external 12 Volt DC 100 Watt heating system or cooling system
from $120.00 CAD that is suitable for battery and BMS
installations in a sealed or semi-sealed battery compartment.
In
addition, if our automated heating or cooling features are
not possible, then it is advisable to opt for the "Dual
Channel BMS option" (see details below) that separates
the charge and discharge functions of the system. With Dual
Channel, even if the battery temperature is outside the
recommended temperatures of 32 to 113 Fahrenheit we can
let the "Charge Path" on the BMS shut off to prevent
charging but the "Discharge Path" remains open
and functional so you can power your AC and DC loads. The
Dual Channel option is always recommended for Marine Systems
(added lightning protection/ redundancy) but it is also
highly recommended for battery systems using solar power
(susceptible to Voltage spikes that can trigger the BMS
High Voltage Cutoff) and now for battery systems exposed
to temperature extremes. Please
consult with getlithium.com/ Pinnacle Innovations
to ensure that we specify the correct system for you that
will perform in the conditions that you need.
2.
The Lithionics NeverDie Battery Management Systems and State
of Charge Battery Meter/ Monitor Kits consume a small amount
of power as follows:
A.) The "Pushbutton NeverDie System" has a
continuous Amperage draw of 2 Milliamps.
Some
useful Resource Information is shown below and if you scroll
down the page, you will see some of our Battery Management
System Products listed...
LITHIUM-ION
BATTERY NEWS:
Lithionics
Battery becomes the first lithium-ion battery manufacturer
in the World to receive the prestigious UL1973 Listed designation
on their selected 12 and 24 Volt lithium-ion batteries.
Lithionics
Battery becomes the first lithium-ion battery manufacturer
in the World to receive the prestigious UL1973 Stationary
AND Motive test designations at 12 Volts, 24 Volts, 48 Volts
and 51 Volts for their select GT Series lithium-ion battery
models:
GT12V450A-F24-CTRL300,
GT12V600A-F24-CTRL300,
GT24V300A-F24-CTRL300,
GT48V150A-F24-CTRL300,
GT51V-150A-F24-CTRL300,
GT12V600A-F27,
GT24V300A-F27,
GT48V150A-F27 and GT51V150A-F27.
Motive UL designation adds shock, crush, vibration, drop
and other hazards to the designation.
In addition, Lithionics Battery's
Advanced NeverDie Battery Management System (BMS) as
well as the MiniBMS with software Version 3.UL has been
tested and approved as per UL508, UL991 and UL1998 on select
systems.
RESULT: Lithionics Battery continues to be an industry
leader in compliance, safety and performance for their lithium-ion
battery systems and NeverDie Battery Management Systems
(BMS).
BMS
OPTIONS:
Lithionics
Battery has a whole lineup of advanced NeverDie Battery
Management Systems (also called "BMS") and Options.
We offer our NeverDie BMS in many power levels:
-
100
Amps Continuous Power (called "6M" or "100CS")
-
120
Amps Continuous Power (called "8M")
-
200
Amps Continuous Power (called "CS200")
-
300
to 400 Amps Continuous Power (called "CTRL400")
-
550
Amps Continuous Power (called "CTRL550").
Note: not yet developed for Version 8 BMS release.
-
1,000
Amps Continuous Power (called "CTRL1000").
Note: not yet developed for Version 8 BMS release/ Only
available for advanced users.
A
few key features/ options offered
are shown above.

|